При понижении или повышении измеряемой температуры относительно заданного значения термостат может размыкать или замыкать контакты (алгоритм работы выбирается при подключении).
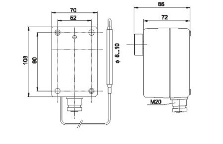
Корпус термостата выполнен из АБС-пластика, чувствительный элемент – капилляр (наполненный жидкостью) с баллоном.
Капиллярный термостат серии NET/HY поставляется с комплектом для монтажа.
Особенности термостата SHUFT NET-4/2:
- Широкий диапазон рабочей температуры
- Высокая нагрузочная способность контактов
- Размеры баллона Ø9,5 мм
- Длина капилляра 150 см
- Релейный выход: 15(8) А, 24…250 В~ / 6(1) А, 400 В~
- Пылезащищенные пассивные микропереключатели с перекидными контактами
- Ресурс более 100 000 циклов срабатывания
- Высокий класс защиты
|
Материал корпуса
|
АБС-пластик |
|
Тип
|
Капиллярный |
|
Рабочая температура, °С
|
-35…+65 °С при влажности 10…90% (без конденсации) |
|
Степень защиты
|
IP65 |
|
Дополнительные свойства
|
Трубка с баллоном, длина 1,5 метра. Двухступенчатый |
|
Класс защиты
|
I |
|
Температура срабатывания
|
-30…30 °С |
|
Размеры (ШхГхВ), мм
|
108х70х72 |
|
Вес, кг
|
0,34 |
Для покупки товара в нашем интернет-магазине выберите понравившийся товар и добавьте его в корзину. Далее перейдите в Корзину и нажмите на «Оформить заказ» или «Быстрый заказ».
Когда оформляете быстрый заказ, напишите ФИО, телефон и e-mail. Вам перезвонит менеджер и уточнит условия заказа. По результатам разговора вам придет подтверждение оформления товара на почту или через СМС. Теперь останется только ждать доставки и радоваться новой покупке.
Оформление заказа в стандартном режиме выглядит следующим образом. Заполняете полностью форму по последовательным этапам: адрес, способ доставки, оплаты, данные о себе. Советуем в комментарии к заказу написать информацию, которая поможет курьеру вас найти. Нажмите кнопку «Оформить заказ».
Оплачивайте покупки удобным способом. В интернет-магазине доступно 3 варианта оплаты:
- Наличные при самовывозе или доставке курьером. Специалист свяжется с вами в день доставки, чтобы уточнить время и заранее подготовить сдачу с любой купюры. Вы подписываете товаросопроводительные документы, вносите денежные средства, получаете товар и чек.
- Безналичный расчет при самовывозе или оформлении в интернет-магазине: карты Visa и MasterCard. Чтобы оплатить покупку, система перенаправит вас на сервер системы ASSIST. Здесь нужно ввести номер карты, срок действия и имя держателя.
- Электронные системы при онлайн-заказе: PayPal, WebMoney и Яндекс.Деньги. Для совершения покупки система перенаправит вас на страницу платежного сервиса. Здесь необходимо заполнить форму по инструкции.
Экономьте время на получении заказа. В интернет-магазине доступно 4 варианта доставки:
- Курьерская доставка работает с 9.00 до 19.00. Когда товар поступит на склад, курьерская служба свяжется для уточнения деталей. Специалист предложит выбрать удобное время доставки и уточнит адрес. Осмотрите упаковку на целостность и соответствие указанной комплектации.
- Самовывоз из магазина. Список торговых точек для выбора появится в корзине. Когда заказ поступит на склад, вам придет уведомление. Для получения заказа обратитесь к сотруднику в кассовой зоне и назовите номер.
- Постамат. Когда заказ поступит на точку, на ваш телефон или e-mail придет уникальный код. Заказ нужно оплатить в терминале постамата. Срок хранения — 3 дня.
- Почтовая доставка через почту России. Когда заказ придет в отделение, на ваш адрес придет извещение о посылке. Перед оплатой вы можете оценить состояние коробки: вес, целостность. Вскрывать коробку самостоятельно вы можете только после оплаты заказа. Один заказ может содержать не больше 10 позиций и его стоимость не должна превышать 100 000 р.
