Шумоглушитель – это важный конструктивный элемент системы вентиляции. В процессе работы вентиляционные системы генерируют достаточно интенсивный шум. Диверсифицировать его влияние помогают различные способы звукоизоляции, разработанные инженерами: звукоизолированные корпуса, специальная конструкция лопастей вентиляторов, а также канальные шумоглушители.
Особенности канального шумоглушителя
Шумоглушитель устанавливается непосредственно в вентиляционный канал. Проходя через него, воздушный поток теряет интенсивность звуковых колебаний благодаря специальному звукопоглощающему материалу.
При проектировании любой системы вентиляции необходимо точно рассчитать производимый уровень шума и сопоставить его с предельно допустимыми значениями для помещений различного назначения. С учетом данного показателя подбираются параметры требуемого шумоглушителя.
Рекомендуемые предельные значения уровня шума для некоторых помещений:
- спальни, детские, комнаты отдыха – не более 30 дБ (при 40-42 дБ специалисты фиксируют нарушения сна);
- другие жилые помещения и помещения с постоянным нахождением людей – не более 40 дБ;
- торговые залы, пассажирские залы аэропортов и ж/д вокзалов – до 60 дБ;
- производственные помещения – не более 80 дБ.
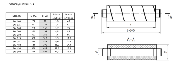
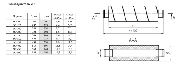
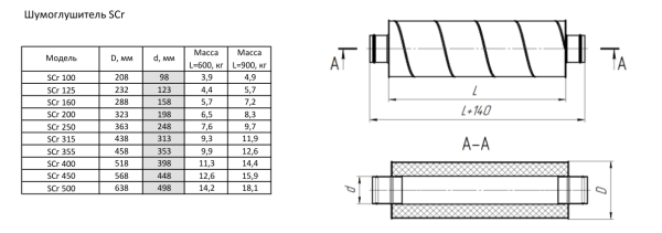
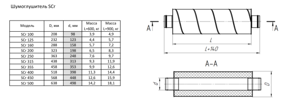
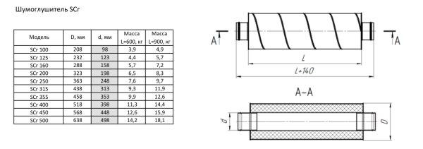
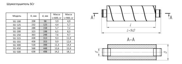
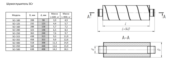
В нашем каталоге представлен большой выбор шумоглушителей для круглых и прямоугольных вентканалов. При необходимости наши менеджеры помогут подобрать модель, наиболее точно соответствующую параметрам вашей вентиляции.
