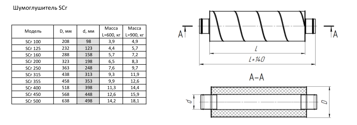
Купить Шумоглушитель Аэроблок Shuft SCr 100/900 по цене 6090 руб.
0
0
0
Корзина