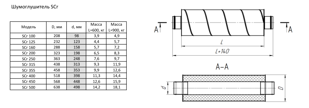
Купить Шумоглушитель Аэроблок Shuft SCr 160/600 по цене 6220 руб.
0
0
0
Корзина