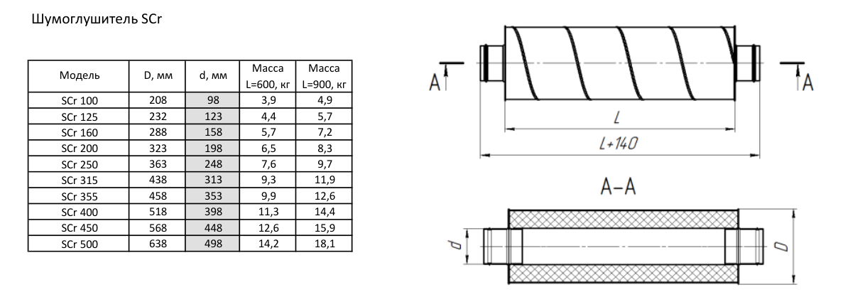
Купить Шумоглушитель Аэроблок Shuft SCr 125/600 по цене 6220 руб.
0
0
0
Корзина