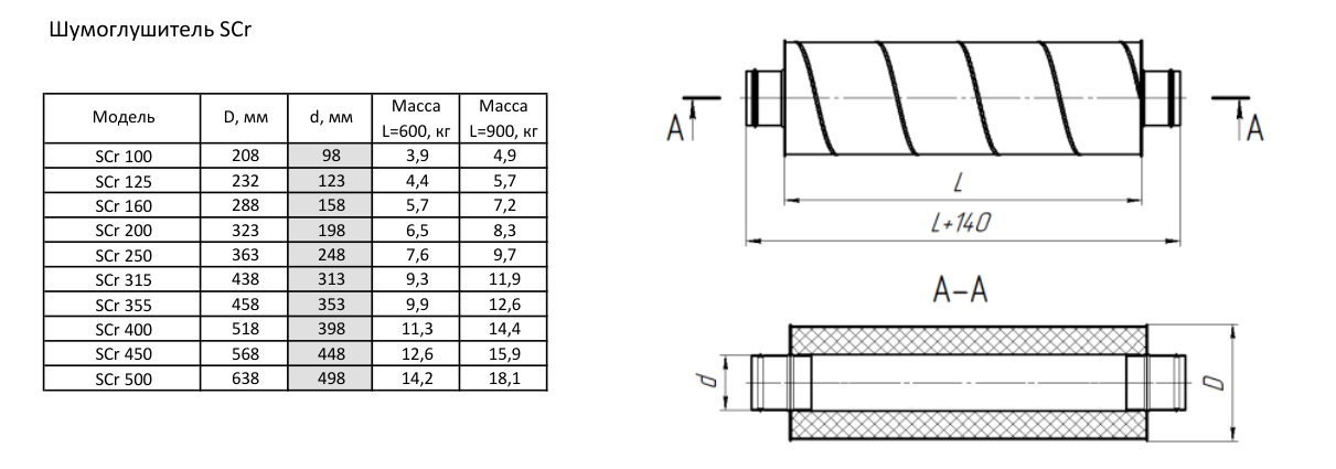
Купить Шумоглушитель Аэроблок Shuft SCr 125/900 по цене 7050 руб.
0
0
0
Корзина