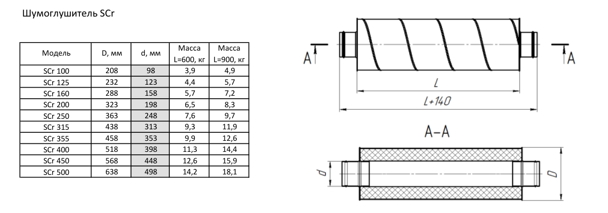
Купить Шумоглушитель Аэроблок Shuft SCr 200/600 по цене 7480 руб.
0
0
0
Корзина