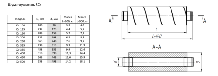
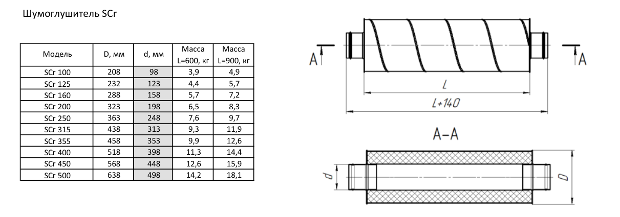
Купить Шумоглушитель Аэроблок Shuft SCr 100/600 по цене 5220 руб.
0
0
0
Корзина