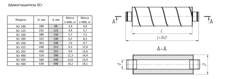
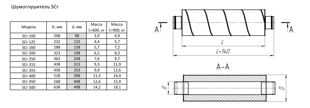
Купить Шумоглушитель Аэроблок Shuft SCr 160/900 по цене 7740 руб.
0
0
0
Корзина