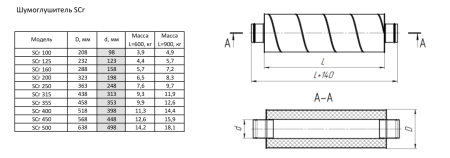
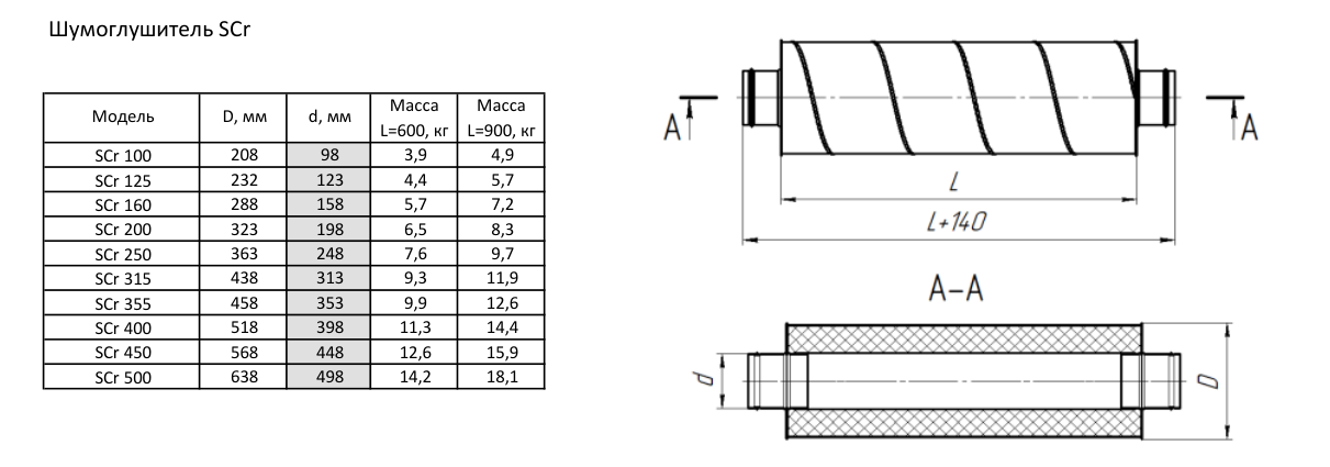
Купить Шумоглушитель Аэроблок Shuft SCr 200/900 по цене 9390 руб.
0
0
0
Корзина