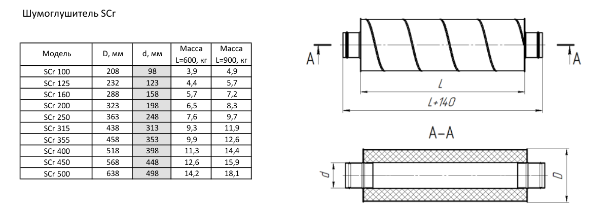
Купить Шумоглушитель Аэроблок Shuft SCr 250/600 по цене 8230 руб.
0
0
0
Корзина