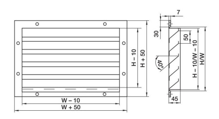
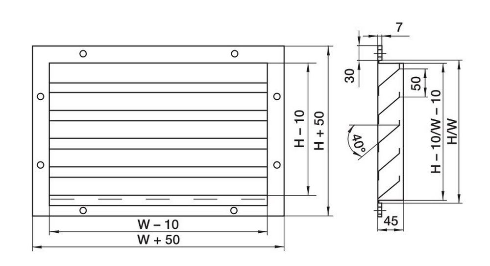
Наружная решетка Shuft SA 600*350 купить за 5240 руб. в Москве
0
0
0
Корзина