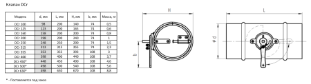
Воздушный клапан Shuft DCr 100 купить по низкой цене
0
0
0
Корзина