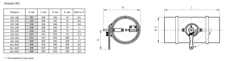
Воздушный клапан Shuft DCr 125 купить по низкой цене
0
0
0
Корзина