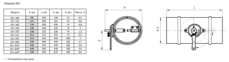
Воздушный клапан Shuft DCr 160 купить по низкой цене
0
0
0
Корзина