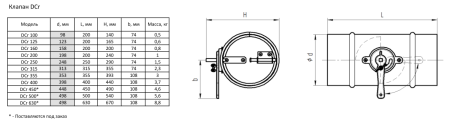
Воздушный клапан Shuft DCr 200 купить по низкой цене
0
0
0
Корзина