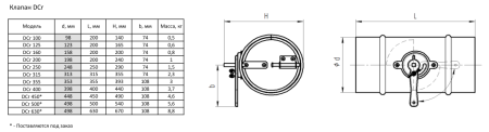
Воздушный клапан Shuft DCr 250 купить по низкой цене
0
0
0
Корзина