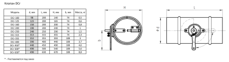
Воздушный клапан ShuftDCr 315 купить по низкой цене
0
0
0
Корзина