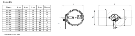
Воздушный клапан Shuft DCr 355 купить по низкой цене
0
0
0
Корзина