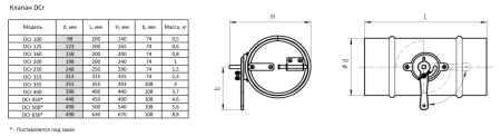
Воздушный клапан Shuft DCr 400 купить по низкой цене
0
0
0
Корзина