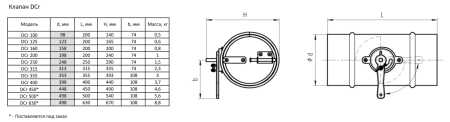
Воздушный клапан Shuft DCr 450 купить по низкой цене
0
0
0
Корзина