Корпус воздухонагревателей выполнен из листовой стали с покрытием из цинка, а нагревательные элементы — из нержавеющей стали.
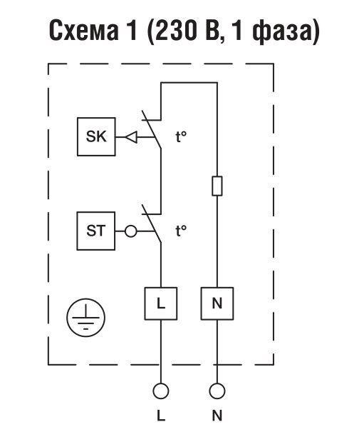
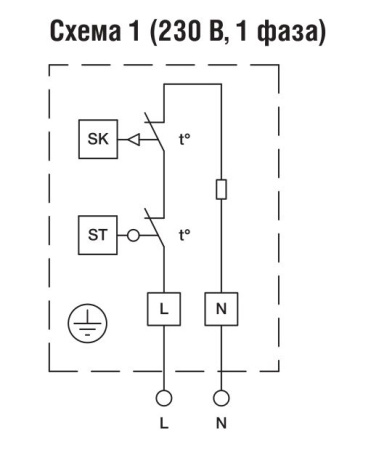
Воздухонагреватели серии ЕНС оснащены двухступенчатой защитой от перегрева. Реле первой ступени (с автоматическим возвратом в исходное положение) срабатывает, когда температура воздуха на выходе из воздухонагревателя достигает 60 °С. Реле второй ступени (с ручным возвратом в исходное положение нажатием кнопки, расположенной на корпусе воздухонагревателя) срабатывает, когда температура воздуха на выходе из воздухонагревателя достигает 90 °С.
Воздухонагреватели серии EHC могут работать с внешним электронным регулятором температуры серии ТС.
Особенности Shuft EHC 100-0,3/1:
- Корпус из оцинкованной стали.
- Резиновые уплотнительные кольца обеспечивают герметичность соединений.
- ТЭНы изготовлены из высококачественной нержавеющей стали.
- Защитный термостат с ручным перезапуском (температура отключения 90°С).
- Защитный термостат с автоматическим перезапуском (температура отключения 60°С).
- Одноступенчатый нагрев.
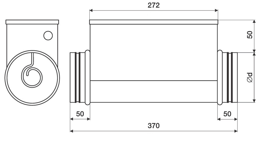
Воздухонагреватель устанавливается клеммной коробкой вверх, в стороны и вниз. Скорость воздуха в воздухонагревателе должна быть не менее 1,5 м/с. Максимальная температура воздуха на выходе составляет 50°С. Воздухонагреватели устанавливаются внутри помещения. Электропитание на нагреватель должно быть подано после включения вентилятора при достаточном потоке воздуха.
|
Мин. расход воздуха, м³/ч
|
40 |
|
Рабочий ток, А
|
1,4 |
|
Мощность, кВт
|
0,3 |
|
Количество фаз
|
1 |
|
Напряжение, В
|
220 |
|
Воздуховод
|
Круглый |
|
Диаметр канала, мм
|
100 |
|
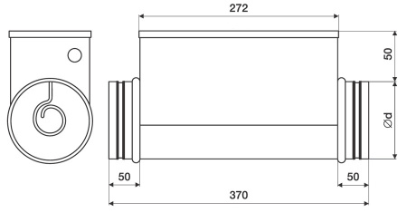
Размеры (ШхГхВ), мм
|
100х370х150 |
|
Вес, кг
|
2 |
Для покупки товара в нашем интернет-магазине выберите понравившийся товар и добавьте его в корзину. Далее перейдите в Корзину и нажмите на «Оформить заказ» или «Быстрый заказ».
Когда оформляете быстрый заказ, напишите ФИО, телефон и e-mail. Вам перезвонит менеджер и уточнит условия заказа. По результатам разговора вам придет подтверждение оформления товара на почту или через СМС. Теперь останется только ждать доставки и радоваться новой покупке.
Оформление заказа в стандартном режиме выглядит следующим образом. Заполняете полностью форму по последовательным этапам: адрес, способ доставки, оплаты, данные о себе. Советуем в комментарии к заказу написать информацию, которая поможет курьеру вас найти. Нажмите кнопку «Оформить заказ».
Оплачивайте покупки удобным способом. В интернет-магазине доступно 3 варианта оплаты:
- Наличные при самовывозе или доставке курьером. Специалист свяжется с вами в день доставки, чтобы уточнить время и заранее подготовить сдачу с любой купюры. Вы подписываете товаросопроводительные документы, вносите денежные средства, получаете товар и чек.
- Безналичный расчет при самовывозе или оформлении в интернет-магазине: карты Visa и MasterCard. Чтобы оплатить покупку, система перенаправит вас на сервер системы ASSIST. Здесь нужно ввести номер карты, срок действия и имя держателя.
- Электронные системы при онлайн-заказе: PayPal, WebMoney и Яндекс.Деньги. Для совершения покупки система перенаправит вас на страницу платежного сервиса. Здесь необходимо заполнить форму по инструкции.
Экономьте время на получении заказа. В интернет-магазине доступно 4 варианта доставки:
- Курьерская доставка работает с 9.00 до 19.00. Когда товар поступит на склад, курьерская служба свяжется для уточнения деталей. Специалист предложит выбрать удобное время доставки и уточнит адрес. Осмотрите упаковку на целостность и соответствие указанной комплектации.
- Самовывоз из магазина. Список торговых точек для выбора появится в корзине. Когда заказ поступит на склад, вам придет уведомление. Для получения заказа обратитесь к сотруднику в кассовой зоне и назовите номер.
- Постамат. Когда заказ поступит на точку, на ваш телефон или e-mail придет уникальный код. Заказ нужно оплатить в терминале постамата. Срок хранения — 3 дня.
- Почтовая доставка через почту России. Когда заказ придет в отделение, на ваш адрес придет извещение о посылке. Перед оплатой вы можете оценить состояние коробки: вес, целостность. Вскрывать коробку самостоятельно вы можете только после оплаты заказа. Один заказ может содержать не больше 10 позиций и его стоимость не должна превышать 100 000 р.
