Корпус воздухонагревателей серии ZЕА изготовлен из оцинкованной листовой стали. Нагревательные элементы сделаны из нержавеющей стали. Все модели снабжены резиновым уплотнением на соединительных патрубках.
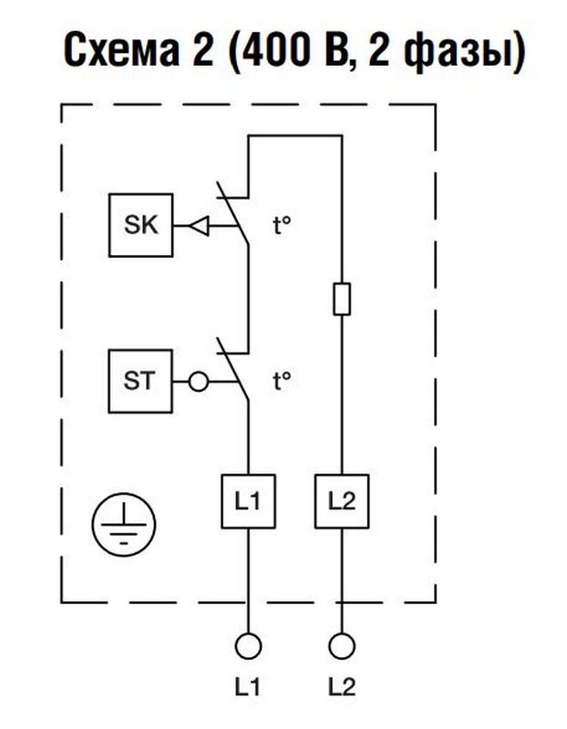
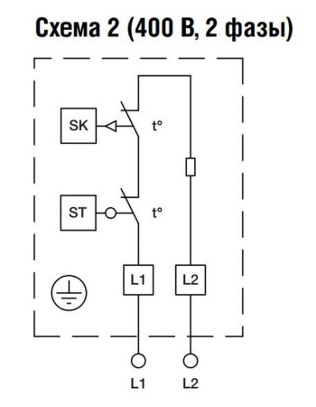
Нагреватель оборудован двухступенчатой защитой от перегрева. Реле первой ступени (с автоматическим возвратом в исходное положение) срабатывает, когда температура воздуха на выходе из нагревателя достигает 60 °С. Реле второй ступени (с ручным возвратом в исходное положение нажатием кнопки, расположенной на корпусе нагревателя) срабатывает при температуре 90 °С.
Регулирование температуры воздуха рекомендуется осуществлять подачей/отключением питания нагревательных элементов за счет использования внешнего электронного регулятора температуры серии ТС.
Диапазон изменения температуры составляет 0-40 °С.
Минимальный расход воздуха соответствует минимальной скорости потока 1,5 м/с. Канальный воздухонагреватель обеспечивает максимальную температуру воздуха на выходе +50°С.
Особенности ZILON ZEA:
- Корпус из оцинкованной стали
- ТЭНы из нержавеющей стали AISI 304
- Двухступенчатая защита от перегрева
- Установка в горизонтальном и вертикальном положении
- Максимальная температура подогреваемого воздуха 50°C
|
Мин. расход воздуха, м³/ч
|
270 |
|
Maкс. расход воздуха, м³/ч
|
620 |
|
Материал корпуса
|
оцинкованная сталь |
|
Рабочий ток, А
|
15,8 |
|
Мощность, кВт
|
6 |
|
Повышение температуры при номинальном расходе, °С
|
29 |
|
Напряжение, В
|
380 |
|
Воздуховод
|
Круглый |
|
Диаметр канала, мм
|
250 |
|
Тип нагревателя
|
Электрический |
|
Размеры (ШхГхВ), мм
|
250х370х300 |
|
Вес, кг
|
7,3 |
|
Страна производства
|
Россия |
Для покупки товара в нашем интернет-магазине выберите понравившийся товар и добавьте его в корзину. Далее перейдите в Корзину и нажмите на «Оформить заказ» или «Быстрый заказ».
Когда оформляете быстрый заказ, напишите ФИО, телефон и e-mail. Вам перезвонит менеджер и уточнит условия заказа. По результатам разговора вам придет подтверждение оформления товара на почту или через СМС. Теперь останется только ждать доставки и радоваться новой покупке.
Оформление заказа в стандартном режиме выглядит следующим образом. Заполняете полностью форму по последовательным этапам: адрес, способ доставки, оплаты, данные о себе. Советуем в комментарии к заказу написать информацию, которая поможет курьеру вас найти. Нажмите кнопку «Оформить заказ».
Оплачивайте покупки удобным способом. В интернет-магазине доступно 3 варианта оплаты:
- Наличные при самовывозе или доставке курьером. Специалист свяжется с вами в день доставки, чтобы уточнить время и заранее подготовить сдачу с любой купюры. Вы подписываете товаросопроводительные документы, вносите денежные средства, получаете товар и чек.
- Безналичный расчет при самовывозе или оформлении в интернет-магазине: карты Visa и MasterCard. Чтобы оплатить покупку, система перенаправит вас на сервер системы ASSIST. Здесь нужно ввести номер карты, срок действия и имя держателя.
- Электронные системы при онлайн-заказе: PayPal, WebMoney и Яндекс.Деньги. Для совершения покупки система перенаправит вас на страницу платежного сервиса. Здесь необходимо заполнить форму по инструкции.
Экономьте время на получении заказа. В интернет-магазине доступно 4 варианта доставки:
- Курьерская доставка работает с 9.00 до 19.00. Когда товар поступит на склад, курьерская служба свяжется для уточнения деталей. Специалист предложит выбрать удобное время доставки и уточнит адрес. Осмотрите упаковку на целостность и соответствие указанной комплектации.
- Самовывоз из магазина. Список торговых точек для выбора появится в корзине. Когда заказ поступит на склад, вам придет уведомление. Для получения заказа обратитесь к сотруднику в кассовой зоне и назовите номер.
- Постамат. Когда заказ поступит на точку, на ваш телефон или e-mail придет уникальный код. Заказ нужно оплатить в терминале постамата. Срок хранения — 3 дня.
- Почтовая доставка через почту России. Когда заказ придет в отделение, на ваш адрес придет извещение о посылке. Перед оплатой вы можете оценить состояние коробки: вес, целостность. Вскрывать коробку самостоятельно вы можете только после оплаты заказа. Один заказ может содержать не больше 10 позиций и его стоимость не должна превышать 100 000 р.
