Регулирование скорости вентиляторов EF осуществляется путем изменения напряжения, за счет использования пятиступенчатых трансформаторов TRE или однофазных плавных регуляторов скорости SRE. Для подключения нескольких вентиляторов к одному регулятору необходимо убедиться, что общий ток вентиляторов не превышает номинальный ток регулятора.
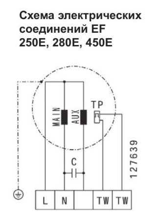
В двигатели вентиляторов встроены защитные термоконтакты, требующие подключения внешнего защитного термореле. В случае применения пятиступенчатых регуляторов скорости TRE дополнительное защитное термореле не нужно.
Кроме того, корпус вентилятора имеет специальную форму для сбора жира и слива, а также кронштейны для надежного монтажа. Возможны 3 положения патрубка, а конструкция корпуса позволяет организовать горизонтальный выброс воздуха.
Особенности Shuft EF 280E:
- Двойной корпус изготовлен из листовой оцинкованной стали с теплоизоляцией 40 мм.
- 3 положения патрубка.
- Горизонтальный выброс воздуха.
- Вентилятор на откидной дверце.
- Встроенные термоконтакты.
- Корпус имеет специальную форму для сбора жира и спускной патрубок.
- Высокоэффективная крыльчатка с назад загнутыми лопатками.
- Высококачественные двигатели расположены вне воздушного потока.
- Высококачественные шариковые подшипники, не требующие обслуживания.
- Регулирование скорости 0–100% путем изменения напряжения (тиристорные и автотрансформаторные регуляторы).
- Водо- и жироотвод.
- Кронштейны для монтажа.
|
Maкс. расход воздуха, м³/ч
|
3400 |
|
Материал корпуса
|
оцинкованная сталь |
|
Тип конструкции вентилятора
|
центробежный |
|
Частота вращения, об/мин.
|
2890 |
|
Уровень звуковой мощности ко входу/выходу/окружению, дБ(А)
|
83/80/74 |
|
Температура перемещаемого воздуха, °С
|
-25..+80 |
|
Степень защиты
|
IP54 |
|
Максимальный ток, А
|
3,17 |
|
Класс защиты
|
I |
|
Класс изоляции
|
F |
|
Потребляемая мощность, кВт
|
0,722 |
|
Напряжение, В
|
220 |
|
Воздуховод
|
Круглый |
|
Размеры (ШхГхВ), мм
|
592х315х561 |
|
Вес, кг
|
47,5 |
Для покупки товара в нашем интернет-магазине выберите понравившийся товар и добавьте его в корзину. Далее перейдите в Корзину и нажмите на «Оформить заказ» или «Быстрый заказ».
Когда оформляете быстрый заказ, напишите ФИО, телефон и e-mail. Вам перезвонит менеджер и уточнит условия заказа. По результатам разговора вам придет подтверждение оформления товара на почту или через СМС. Теперь останется только ждать доставки и радоваться новой покупке.
Оформление заказа в стандартном режиме выглядит следующим образом. Заполняете полностью форму по последовательным этапам: адрес, способ доставки, оплаты, данные о себе. Советуем в комментарии к заказу написать информацию, которая поможет курьеру вас найти. Нажмите кнопку «Оформить заказ».
Оплачивайте покупки удобным способом. В интернет-магазине доступно 3 варианта оплаты:
- Наличные при самовывозе или доставке курьером. Специалист свяжется с вами в день доставки, чтобы уточнить время и заранее подготовить сдачу с любой купюры. Вы подписываете товаросопроводительные документы, вносите денежные средства, получаете товар и чек.
- Безналичный расчет при самовывозе или оформлении в интернет-магазине: карты Visa и MasterCard. Чтобы оплатить покупку, система перенаправит вас на сервер системы ASSIST. Здесь нужно ввести номер карты, срок действия и имя держателя.
- Электронные системы при онлайн-заказе: PayPal, WebMoney и Яндекс.Деньги. Для совершения покупки система перенаправит вас на страницу платежного сервиса. Здесь необходимо заполнить форму по инструкции.
Экономьте время на получении заказа. В интернет-магазине доступно 4 варианта доставки:
- Курьерская доставка работает с 9.00 до 19.00. Когда товар поступит на склад, курьерская служба свяжется для уточнения деталей. Специалист предложит выбрать удобное время доставки и уточнит адрес. Осмотрите упаковку на целостность и соответствие указанной комплектации.
- Самовывоз из магазина. Список торговых точек для выбора появится в корзине. Когда заказ поступит на склад, вам придет уведомление. Для получения заказа обратитесь к сотруднику в кассовой зоне и назовите номер.
- Постамат. Когда заказ поступит на точку, на ваш телефон или e-mail придет уникальный код. Заказ нужно оплатить в терминале постамата. Срок хранения — 3 дня.
- Почтовая доставка через почту России. Когда заказ придет в отделение, на ваш адрес придет извещение о посылке. Перед оплатой вы можете оценить состояние коробки: вес, целостность. Вскрывать коробку самостоятельно вы можете только после оплаты заказа. Один заказ может содержать не больше 10 позиций и его стоимость не должна превышать 100 000 р.
